1.Назначение.
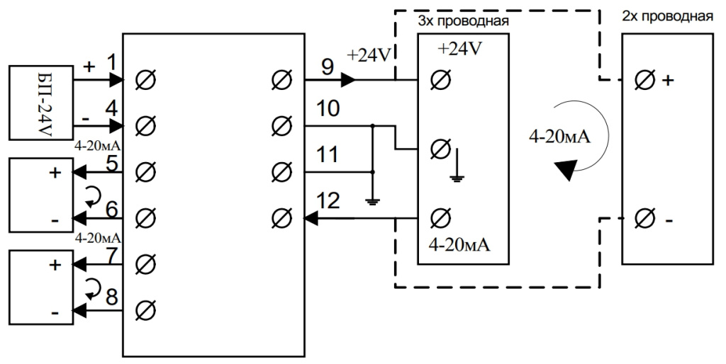
Устройство предназначено для подключения датчика, имеющего нормированный сигнал 4-20 мА по 2-х или 3-х проводной схеме, обеспечение гальванической развязки, к двум регистрирующим устройствам. Выходной сигнал “пассивного типа“ 2-х проводного подключения.
На лицевой панели отображено состояние светодиодными индикаторами:
1) Наличие питания - Uпит.
2) Наличие входного сигнала 4-20 мА - Iвх.
3) Наличие выходного сигнала и контроль подключения 1-го канала дублирования 4-20 мА – Iвых1.
4) Наличие выходного сигнала и контроль подключения 2-го канала дублирования 4-20 мА – Iвых2 .
2.Технические характеристики:
|
Напряжение питания Uпит.
|
=18-36V
|
|
Потребляемая мощность P.
|
≤3W
|
|
Диапазон рабочих сигналов I.
|
2-25 мА
|
|
Макс. рабочее напряжение
|
|
|
Выходных сигналов Vs.
|
=36 V
|
|
Макс. сопротивление нагрузки
|
|
|
Вых. сигналов Ri..
|
< ( Vs-3)/0,02 Ω
|
|
Количество вых. каналов
|
2
|
|
Температура эксплуатации t
|
-25°С…..+70°С
|
|
Погрешность преобразования
|
0,1%
|
3.Параметры надежности:
- Средний срок службы изделий не менее 10 лет.
- Средняя наработка на отказ при соблюдении правил технического обслуживания и применения составляет не менее 100 000 часов.
- Срок сохраняемости изделий не менее одного года при соблюдении условий хранения и транспортировки.
4.Конструктивные параметры:
Габаритные размеры разветвителей составляют, мм 22,5х114,5х99
- Масса разветвителя 0,2+_0,05 кг.
5. Комплект поставки.
-Токовый разветвитель повторитель пассивный-1шт.
- Паспорт совмещенный с техническим описанием и инструкцией (на электронном или бумажном носителе)-1 шт.
- Транспортная тара-1 шт.
6.Подготовка к работе и порядок работы.
- Установить изделие на монтажную рельсу.
- Произвести коммутацию внешних устройств согласно схеме подключения, указанной на боковой части изделия или согласно указанной в паспорте.
- Дальнейшую работу производить согласно документации на подключенный вторичный прибор.
7.Схема подключения.

8.Габаритные размеры
